Nội dung
Module giám sát chống đảo chiều của biến tần 1 pha EICT-90K
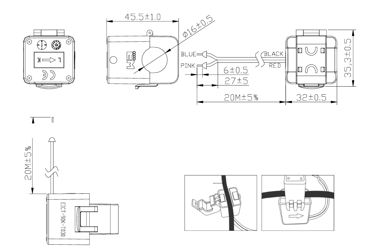
EICT-90K là biến dòng dạng kẹp (split-core current transformer – CT) dùng cho đo lường/giám sát dòng điện. CT này thường được dùng như phụ kiện kèm các module “chống phát ngược/Zero-Export” của hệ inverter 1 pha: CT đo dòng tải/lưới và gửi tín hiệu về bộ điều khiển; bản thân EICT-90K không phải module chống đảo chiều, mà là cảm biến dòng phục vụ chức năng đó.
Với thiết kế gọn, dễ lắp đặt và không cần cắt dây nguồn, EICT-90K là giải pháp cảm biến dòng tiện lợi cho các tủ điện inverter, hệ thống solar rooftop hoặc module đo lường năng lượng. Khi kết hợp cùng biến tần thông minh có chức năng Zero-Export, thiết bị giúp giám sát và ngăn công suất phát ngược lên lưới, đảm bảo hệ thống vận hành hiệu quả, đúng quy định và bảo vệ thiết bị điện khỏi sự cố quá tải.
Thông số kỹ thuật
| Thông số | Giá trị / Mô tả |
|---|---|
| Dòng định mức sơ cấp (Ipn) | 90 A RMS |
| Dòng đầu ra danh định (Iout) | 90 mA @ Ipn |
| Sai số pha (φ) | ≤ 1,5° @ Ipn, 25 °C, Rb = 10 Ω |
| Sai số biên độ (F(I)) | ≤ 1 % @ Ipn, 25 °C, Rb = 10 Ω |
| Điện trở tải (Rb) | 10 Ω |
| Điện áp cách ly (Up,eff) | 4 kV, 2 giây (vỏ cách điện nhựa) |
| Số vòng cuộn thứ cấp (N₂) | 1000 ± 2 vòng |
| Điện trở cuộn thứ cấp (Rcu₂) | 34,6 Ω ± 10 % (ở 25 °C) |
| Dây kết nối cuộn thứ cấp | 2 dây (đỏ + đen) 2×24 AWG |
| Nhiệt độ môi trường làm việc | −25 °C … +70 °C |
| Nhiệt độ lưu trữ | −25 °C … +85 °C |
Ứng dụng
-
Là phụ kiện cảm biến dòng cho module chống phát ngược (Zero-Export) của biến tần 1 pha.
-
Giúp đo và truyền tín hiệu dòng điện về module hoặc inverter, để giám sát chiều công suất và tránh phát ngược lên lưới điện.
-
Dễ lắp đặt, không cần cắt dây chính nhờ thiết kế kẹp hở (split-core).






Đánh giá
There are no reviews yet